發布日期:2022-03-14 瀏覽:3266 次
試驗儀器
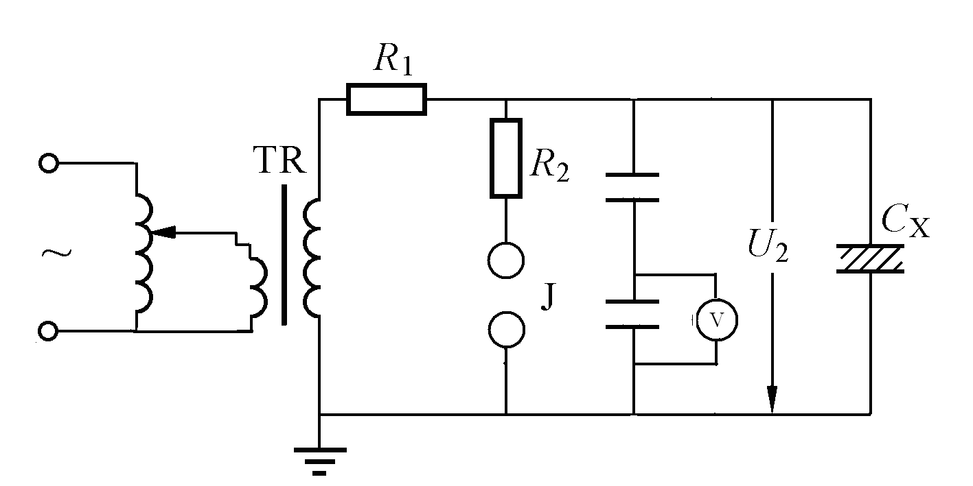
1、高壓試驗控制箱
試驗控制箱式高壓試驗變壓器的配套設備,是用于試驗變壓器的配套設備,主要用于試驗變壓器的調壓控制,其工作原理是通過調整自耦調壓器的輸出電壓,實現試驗變壓器額定范圍內的工作電壓調節。
2、YDQ充氣式無局放試驗變壓器
試驗變壓器是電力設備檢測及預防性試驗所必須的試驗設備,用于輸出交流高壓,對各類高壓試驗提供較高電壓,使用于高電壓電力設備的交流耐壓設備。
選用試驗變壓器時要考慮以下兩點:
(1)電壓
根據被試品的試驗電壓,選用具有適合電壓的試驗變壓器。要檢查試驗變壓器所需低壓側電壓是否與現場電源電壓、調壓器相配。試驗電壓較高時,可采用多級串接式試驗變壓器。
(2)電流
電流按下式計算:I=ωCx U
式中:I —— 試驗變壓器高壓側應輸出的電流,mA;
U —— 試驗電壓;
Cx —— 被試品電容量;
ω —— 角頻率。
其中Cx可從測量被試品的電容量中得到。相應求出試驗所需電源容量P:
P=ωCx U2
試驗時,按P值選擇變壓器容量,一般不得超載運行。
充氣式輕型試驗變壓器,采用SF6氣體為絕緣介質,體積小,重量輕且無油污染,局部放電小,適合現場工作及頻繁移動的工作條件下使用。這里我們選用量程為50kV的試驗變壓器。
3、保護球隙
保護球隙是由一個帶電球極和一個接地球極構成,兩極之間相隔一定距離構成間隙。它平時并聯在被保護設備旁,當試驗電壓超過被試設備的試驗電壓時,球間隙放電,對被試設備起保護作用,其整定值一般取試驗電壓的110%~120%,整定值確定后,可查表確定球隙距離,并進行現場校正。
4、保護電阻器
試驗變壓器的高壓輸出端應串接保護電阻器(限流電阻),用來降低被試品閃絡或擊穿時變壓器高壓繞組出口端的過電壓,并能限制短路電流。
此保護電阻的取值一般為0.1Ω/V~0.5Ω/V,并應有足夠的熱容量和長度。該電阻阻值不宜超過30kΩ,否則會引起正常工作時回路產生較大的壓降和功耗。
5、接地線的選擇
接地線應采用帶有接地夾子的臨時接地線。
接地線應采用4mm2及以上的多股裸導線或外覆透明絕緣層的銅質軟導線。
試驗接線(接線圖)

試驗步驟
1、試驗前的準備工作
(1)填寫第一種工作票,編寫作業控制卡、質量控制卡,辦理工作許可手續。
(2)向工作班成員交待工作內容、人員分工、帶電部位,進行危險點告知,并履行確認手續后開工。
(3)準備試驗用儀器、儀表、工具和個人安全工器具,所用儀器儀表良好,所用儀器、儀表、工具均應在合格周期內。

(4)檢查試品外殼,應可靠接地檢查變壓器本體和有載調壓開關油位在正常位置。
(5)用放電棒對被試設備進行充分放電。
(6)放電后,拆除被試設備高壓、中壓、低壓引線,其他檢修人員撤離現場。
(7)檢查試品外觀,清潔絕緣表面污垢。
(8)試驗現場周圍裝設試驗圍欄,必要時派專人看守。
(9)接取試驗電源,先測量電源電壓是否符合試驗要求,電源線必須固定,防止突然斷開,檢查漏電保護裝置是否靈敏動作。
(10)抄錄銘牌,記錄天氣情況和溫、濕度,安裝位置,試驗日期。
2、試驗接線
(1)先將被試品的被試繞組A、B、C、(O)三相用裸銅線短路連接,其余非被試繞組用裸銅線短路連接,并與外殼一起接地。并將儀器可靠接地。
(2)將保護球隙可靠接上接地線。
(3)將試驗變壓器可靠接上接地線,將高壓控制箱的外殼用接地線可靠連接。
(4)連接被試品繞組接到保護球隙高壓側。
(5)連接試驗變壓器的儀表端到控制箱的儀表端,連接控制箱輸出端到試驗變壓器輸入端。
(6)所有接線完畢,最后檢查所有接線是否正確。
3、試驗操作
(1)先將高壓試驗控制箱接上電源線,合上電源刀閘。
(2)按下電源開關,逆轉調壓器至零位,將過流保護器調整到最小位置
(3)合上高壓啟動鍵進行預升,等球隙放電后過流繼電器動作,記錄該放電電壓。拉開電源刀閘,用放電棒將高壓回路接地,調整球隙間距。反復進行調整操作,使球隙放電電壓為試驗電壓的1.15~1.2倍
(4)拉開電源閘刀,用放電棒將高壓回路接地,連接繞組與被試電源的高壓引線,拆除臨時接地線
(5)合上電源閘刀,按下高壓啟動鍵,開始升壓。升壓速度在75%試驗電壓以前,可以是任意的,自75%電壓開始均勻升壓,約為每秒2%試驗電壓的速率升壓。
(6)升壓的同時觀察電壓和電流表的變化。
在升壓過程中,如果發現電流值迅速增加,應立即停止升壓,按下停止按鈕,停止高壓輸出。升壓完成后一只手應放置在停止按鈕附近,隨時警戒異常情況的發生,以便立即進行跳閘操作。
(7)觀察電壓表,若升到指定的電壓值,則停止繼續升壓
(8)當升壓至要求電壓時,開始計時,計時到最后10s時開始倒數,時間到開始降壓。在施壓階段,應注意保持與高壓設備的安全距離。防止被高壓所傷。
(9)當發生以下現象時,表示被試品已經被擊穿,應立即停止加壓并降壓:a被試品內部發出響聲、冒煙、閃弧、燃燒等;b、電流表指針突然擺動或表指針突然升高。
(10)變壓器交流耐壓試驗在耐壓時間內未出現異常,即可降壓。旋動調壓器轉輪均勻轉到零位,按下停止按鈕,切斷高壓輸出,拉開電源刀閘,關閉電源開關。
4、試驗拆線
(1)用專用放電棒對被試繞組進行放電并掛上臨時接地線。等充分放電后,取下放電棒,放點結束。
(2)試驗結束,拆除試驗接線。
試驗標準
1、Q/GDW168-2008《輸變電設備狀態檢修試驗規程》
外施耐壓試驗為出廠試驗值的80%,時間為60s。
2、《電氣裝置安裝工程電氣設備交接試驗標準GB 50150-2006》
繞組連同套管的交流耐壓試驗,應符合下列規定:
(1)容量為8000kVA以下、繞組額定電壓在110kV以下的變壓器,線端試驗應按表1進行交流耐壓試驗;
(2)容量為8000kVA及以上、繞組額定電壓在110kV以下的變壓器,在有試驗設備時,可按表1試驗電壓標準,進行線端交流耐壓試驗;

注:a、上表中,變壓器試驗電壓是根據現行國家標準《電力變壓器 第3部分:絕緣水平、絕緣試驗和外絕緣空氣間隙》GB 1094.3規定的出廠試驗電壓乘以0.8制定的。
b、干式變壓器出廠試驗電壓是根據現行國家標準《干式電力變壓器》GB 6450規定的出廠試驗電壓乘以0.8制定的。
(3)繞組額定電壓為110kV及以上的變壓器,其中性點應進行變壓器交流耐壓試驗,試驗耐受電壓標準為出廠試驗電壓值的80%(見表2)。

表2.額定電壓110kV 及以上的電力變壓器中性點交流耐壓試驗電壓標準kV
(4)交流耐壓試驗可以采用外施工頻電壓試驗的方法,也可采用感應電壓試驗的方法。
試驗電壓波形盡可能接近正弦,試驗電壓值為測量電壓的峰值除以√2,試驗時應在高壓端監測。
外施交流電壓試驗電壓的頻率應為45~65Hz,全電壓下耐受時間為60s。
優力克電力是電力試驗設備的生產廠家,我們的產品全程提供專業的技術服務。

本公司生產全面貫徹 ISO9001:2015 質量管理體系認證證書及文字商標和圖片商標注冊

本公司與武漢各大高校和武漢高壓研究所有著緊密合同關系,有著明細的技術優勢和穩定技術方案

公司具有專業的銷售和技術支持團隊隨時了解和客戶溝通產品的應用情況,提供一對一高效專業的服務

產品全部執行ISO9001質量管理體系,SMT自動化的生產,半成品檢測,成品檢測拷機,讓每一個產品都經過5次以上的100%測試,確保產品質量100%

公司具有精準的預期備貨和保持穩定的安全庫存,滿足客戶的緊急需求和批量性采購需求

公司產品每年抽樣送第三方檢驗(如湖北省技術監督局、武漢市計量院),符合出廠標準和第三方檢測指標要求