發布日期:2022-03-17 瀏覽:1390 次
試驗目的:
判斷絕緣受潮,油或浸漬物臟污或劣化變質以及局部受潮,絕緣損壞以及貫通性缺陷等。
試驗周期:
3年
介質損耗試驗測量原理:
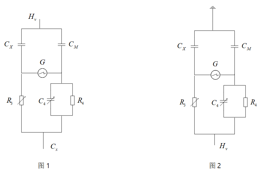
在本試驗中,使用電橋法測量介質損耗。如圖1所示,
為被試品,
是50pf的標準電容,檢流計G為顯示電橋是否平衡的表頭,
、
是可調整的電阻和電容,
和
是測量儀器的電壓輸出、輸出回路接口。圖1所示電路為正接線法測量介質損耗的原理圖,這種測量方法適用于兩端不接地的被試品,測量精度較高。

圖2所示電路,為反接線法測量介質損耗的電路圖。適用于一端接地的被試品,這種方法的測量準確度較低。通常來說,如果能使用正接線法測量,就盡量使用正接線法測量。
優力克電力是電力試驗設備的生產廠家,我們的產品全程提供專業的技術服務。

本公司生產全面貫徹 ISO9001:2015 質量管理體系認證證書及文字商標和圖片商標注冊

本公司與武漢各大高校和武漢高壓研究所有著緊密合同關系,有著明細的技術優勢和穩定技術方案

公司具有專業的銷售和技術支持團隊隨時了解和客戶溝通產品的應用情況,提供一對一高效專業的服務

產品全部執行ISO9001質量管理體系,SMT自動化的生產,半成品檢測,成品檢測拷機,讓每一個產品都經過5次以上的100%測試,確保產品質量100%

公司具有精準的預期備貨和保持穩定的安全庫存,滿足客戶的緊急需求和批量性采購需求

公司產品每年抽樣送第三方檢驗(如湖北省技術監督局、武漢市計量院),符合出廠標準和第三方檢測指標要求