發布日期:2022-04-29 瀏覽:1345 次
高壓開關在使用之前和使用的過程中,都需要進行檢測,來判斷高壓開關的絕緣屬性,看看其還能否正常的工作,因此需要用到高壓開關動特性測試儀。而高壓開關動特性測試儀(斷路器測試儀)的精度高不高,全靠該設備上的傳感器,很多電力工作者在使用設備的過程中,不知道這傳感器應當怎么安裝,因此本文就給大家來簡單介紹高壓開關動特性測試儀的傳感器怎么安裝?
斷口接線方式:
該儀器共設二個斷口測試輸入接口,每個斷口共四線,分別為A1(黃線)、B1(綠線)、C1(紅線)接三相動觸頭端,GND(黑線)靜觸頭(三相短接),總共可對六斷口的斷路器(開關)的測試取樣。
下圖中以三斷口和六斷口斷路器連接為例,斷口測試輸入接口都用上,連接方式為:A1、A2、接斷口輸入的黃線,B1、B2接斷口輸入綠線,C1、C2接斷口輸入紅線,對于三相三斷路器連接就只需用前一個斷口測試信號輸入接口,其中A1斷口為主斷口。(注:三斷口,六斷口斷路器共一個公共地GND)。

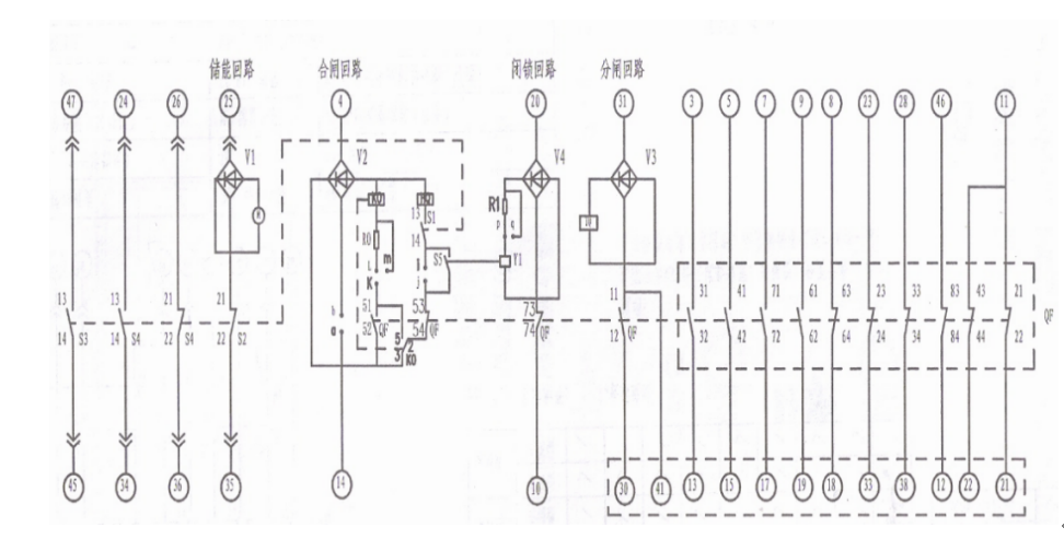
內觸發分合閘控制接線方法:
現場試驗時,如果采用儀器內部電源,合閘控制線(紅色)、分閘控制線(綠色)、公共線(黑色)接入到儀器面板的“內觸發”端口(航空插頭), 儀器 分+、合+、負 輸出時,一般須接在輔助開關接點前(可有效保護線圈和儀器)。接線時注意切斷斷路器裝置自有的操作電源(斷開刀鍘或者拔掉保險),以免兩種電源沖突,損壞儀器.

下面為VS1真空開關分合控制接線圖:合閘紅線接(4)、分閘綠線接(31),公共點(14)和(30)短接后接黑線。

外觸發接線(用于交流開關或永磁開關)
使用外部電源,先將控制線接入到儀器面板的“外觸發”端口,然后儀器進行參數設置,將觸發方式設置成外觸發,接線方式同內觸發一樣,也可紅線接合閘線圈、綠線分閘線圈,黑線接公共端。測試時,先在特性測試菜單按確認鍵操作測試,再做斷路器合或分閘動作,即可采集到數據。用戶在接線前,應根據各種高壓開關控制屏的接線圖,仔細分析后接線。

自觸發(手動)方式不需要接控制線
在參數設置菜單中把采集信號時間延長5秒鐘,然后快速進行手動分或合閘,即可采到信號,此動作要在5秒鐘內完成,超過則不顯示數據,測試的數據主要參考彈跳時間、彈跳次數、同期、速度,合、分時間為評估值。
速度傳感器安裝方法
在測試開關速度時,先將直線傳感器安裝在高壓開關的動觸頭上。根據所測開關的類型油、真空、SF6,選擇相應的傳感器安裝。
0.1mm直線傳感器(真空開關類)
傳感器的直線拉桿用磁鐵吸附在開關的垂直導電桿(動觸頭)上,傳感器用萬向支架固定,在分閘狀態上時行安裝。安裝時電子尺必須和動觸頭垂直,先拉出15mm左右的長度,確保合分閘時傳感器不要應開關上下運動而拉壞。這類安裝方法主要是ZN28開關或者是沒有安裝底盤的ZN63(VSI)等動觸頭裸露出來的真空開關。

旋轉傳感器安裝方式:

注意事項:旋轉傳感器使用時請將箭頭指向有效區中間,使箭頭尾部與紅色標志重合!!!
如密封式VS1、VD4開關,安裝在開關兩側拐臂(主軸),把兩側白色密封蓋拿掉,可看見主軸,把專用接頭套上即可,安裝時保持水平狀,再用萬向支架固定。如下圖:

如果找不到拐臂,安裝在分合指式針處,先把分合指式針卸掉,再把傳感器連接頭擰上去即可。戶外真空開關及六氟化硫安裝示意圖:

SF6斷路器的拐臂有角位移傳感器連接口,將U型口對應在螺桿孔固定,再用萬向節再固定傳感器。如下圖:

1mm直線傳感器(油開關)

優力克電力是電力試驗設備的生產廠家,我們的產品全程提供專業的技術服務。

本公司生產全面貫徹 ISO9001:2015 質量管理體系認證證書及文字商標和圖片商標注冊

本公司與武漢各大高校和武漢高壓研究所有著緊密合同關系,有著明細的技術優勢和穩定技術方案

公司具有專業的銷售和技術支持團隊隨時了解和客戶溝通產品的應用情況,提供一對一高效專業的服務

產品全部執行ISO9001質量管理體系,SMT自動化的生產,半成品檢測,成品檢測拷機,讓每一個產品都經過5次以上的100%測試,確保產品質量100%

公司具有精準的預期備貨和保持穩定的安全庫存,滿足客戶的緊急需求和批量性采購需求

公司產品每年抽樣送第三方檢驗(如湖北省技術監督局、武漢市計量院),符合出廠標準和第三方檢測指標要求